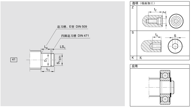
力士乐REXROTH滚珠螺杆轴端加工方式41
滚珠螺杆订货示例:SEM-E-S 20 x 5R x 3-4 1 2 T7 R 41Z120 82Z120 1250 1 0
亦可提供图纸,对螺杆轴端进行加工,请联络我们的销售人员:0512-3668 8338.